| 流量范圍 [m3/h] |
Q=1~240m3/h |
| 揚程 [m] | H=6~400m |
| 電機功率 [kW] | N=0.37kW~110kW |
| 水泵效率 [%] | η=32%~75% |
| 液體溫度 [℃] | -15℃~+120℃ |
| 進出口聯接圓法蘭規格 | DN25~DN150 |
| 說明 |
QDL2 |
QDL4 | QDL8 | QDL12 | QDL16 | QDL20 | QDL30 | QDL42 | QDL60 | QDL90 | QDL120 | QDL150 | QDL200 |
| 頻率 | 50HZ | ||||||||||||
|
額定流量[m3/h] |
2 | 4 | 8 | 12 | 16 | 20 | 30 | 42 | 60 | 90 | 120 | 150 | 200 |
| 流量范圍 [m3/h] | 1~3.6 |
1.8~7 |
5~11 |
8~16 |
8~22 |
12~28 |
22~40 |
30~54 |
45~75 |
72~108 |
60~150 |
80~180 |
100~240 |
| 最大壓力[bar] | 21 | 21 | 24 | 23 | 24 | 25 | 26 | 26 | 24 | 18 | 18 | 18 | 18 |
| 電機功率[kW] | 0.37~4 | 0.37~4 | 0.75~7.5 | 0.75~11 | 1.1~15 | 1.1~18.5 | 2.2~30 | 3~37 | 4~45 | 11~55 | 11~75 | 11~75 | 18.5~110 |
| 溫度范圍[℃] | -15℃~+120℃ | ||||||||||||
| 類型 | |||||||||||||
|
QDL |
● | ● | ● | ● | ● | ● | ● | ● | ● | ● | ● | ● | ● |
| QDLF | ● | ● | ● | ● | ● | ● | ● | ● | ● | ● | ● | ● | ● |
| 進出口口徑: | DN25 | DN32 | DN40 | DN50 | DN50 | DN50 | DN65 | DN80 | DN100 | DN100 | DN125 | DN125 | DN150 |



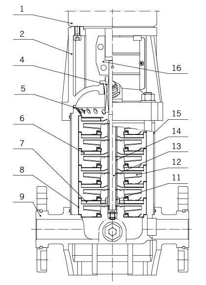
| 序號 | 名 稱 | 材 料 |
| 1 | 電動機 | |
| 2 | 電機座 | 鑄鐵 |
| 4 | 機械密封 | |
| 5 | 出口導流器 | 不銹鋼 |
| 6 | 普通導流器 | 不銹鋼 |
| 7 | 帶軸承導流器 | 不銹鋼 |
| 8 | 底部導流器 | 不銹鋼 |
| 11 | 軸承內圈 | 碳化鎢 |
| 12 | 葉輪 | 不銹鋼 |
| 13 | 泵軸 | 不銹鋼 |
| 14 | 級間套 | 不銹鋼 |
| 15 | 外圓筒 | 不銹鋼 |
| 16 | 聯軸器 | 碳鋼 |
| QDLF | ||
| 3 | 泵蓋 | 不銹鋼 |
| 9 | 進出水段 | 不銹鋼 |
| 10 | 底座 | 鑄鐵 |
| QDL | ||
| 9 | 進出水段 | 鑄鐵 |

| 型號 |
配用電機 (kw) |
流量 Q(m3/h) |
2.4 | 3.O | 4.O | 4.8 | 6.O | 7.O |
| QDL4-20 | 0.6 |
揚程 H(m) |
17.4 | 17 | 16 | 15 | 13 | 10 |
| QDL4-30 | 0.8 | 26 | 26 | 24 | 22.5 | 20 | 15 | |
| QDL4-40 | 1.1 | 34.5 | 34 | 32 | 30 | 26 | 20 | |
| QDL4-50 | 1.1 | 43 | 43 | 40 | 37.5 | 33 | 25 | |
| QDL4-60 | 1.5 | 52 | 51 | 48 | 45 | 39 | 30 | |
| QDL4-70 | 1.5 | 61 | 60 | 56 | 52.5 | 46 | 35 | |
| QDL4-80 | 1.5 | 69.5 | 68 | 64 | 60 | 52 | 40 | |
| QDL4-90 | 2.2 | 78 | 77 | 72 | 67.5 | 59 | 45 | |
| QDL4-100 | 2.2 | 87 | 85 | 80 | 75 | 65 | 50 | |
| QDL4-110 | 2.2 | 95 | 94 | 88 | 82.5 | 72 | 55 | |
| QDL4-120 | 3 | 104 | 102 | 96 | 90 | 78 | 60 | |
| QDL4-130 | 3 | 113 | 111 | 104 | 97.5 | 85 | 65 | |
| QDL4-140 | 3 | 122 | 119 | 112 | 105 | 91 | 70 | |
| QDL4-150 | 3 | 131 | 128 | 120 | 112.5 | 98 | 75 | |
| QDL4-160 | 3 | 140 | 136 | 128 | 120 | 104 | 80 | |
| QDL4-170 | 4 | 148 | 145 | 136 | 127.5 | 111 | 85 | |
| QDL4-180 | 4 | 157 | 153 | 144 | 135 | 117 | 90 | |
| QDL4-190 | 4 | 165 | 162 | 152 | 142.5 | 124 | 95 | |
| QDL4-200 | 4 | 174 | 170 | 160 | 150 | 130 | 100 | |
| QDL4-210 | 4 | 182 | 179 | 168 | 157.5 | 137 | 105 | |
| QDL4-220 | 4 | 191 | 187 | 176 | 165 | 143 | 110 |

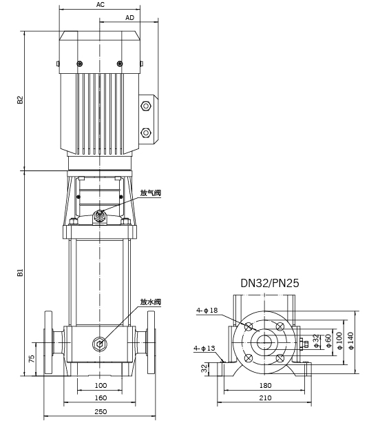
| 型號 | 尺寸(mm) |
重量 (kg) |
||||
| B1 | B2 | B1+B2 | AC | AD | ||
| QDL4-20 | 277 | 225 | 502 | 145 | 86 | 25.5 |
| QDL4-30 | 314 | 250 | 564 | 175 | 145 | 27.5 |
| QDL4-40 | 341 | 250 | 591 | 175 | 145 | 30 |
| QDL4-50 | 368 | 250 | 618 | 175 | 145 | 30.5 |
| QDL4-60 | 405 | 290 | 695 | 195 | 155 | 35 |
| QDL4-70 | 432 | 290 | 722 | 195 | 155 | 35.5 |
| QDL4-80 | 459 | 290 | 749 | 195 | 155 | 36 |
| QDL4-90 | 486 | 290 | 776 | 195 | 155 | 41 |
| QDL4-100 | 513 | 290 | 803 | 195 | 155 | 41.5 |
| QDL4-110 | 540 | 290 | 830 | 195 | 155 | 42 |
| QDL4-120 | 577 | 320 | 897 | 215 | 180 | 50 |
| QDL4-130 | 604 | 320 | 924 | 215 | 180 | 50.5 |
| QDL4-140 | 631 | 320 | 951 | 215 | 180 | 51 |
| QDL4-150 | 658 | 320 | 978 | 215 | 180 | 51.5 |
| QDL4-160 | 685 | 320 | 1005 | 215 | 180 | 52 |
| QDL4-170 | 712 | 350 | 1062 | 240 | 190 | 59.5 |
| QDL4-180 | 739 | 350 | 1089 | 240 | 190 | 60 |
| QDL4-190 | 766 | 350 | 1116 | 240 | 190 | 60.5 |
| QDL4-200 | 793 | 350 | 1143 | 240 | 190 | 61 |
| QDL4-210 | 820 | 350 | 1170 | 240 | 190 | 61.5 |
| QDL4-220 | 847 | 350 | 1197 | 240 | 190 | 62 |